|
Alat za punjenje sačmene municije (livenje sačme) i osnove punjenja
|
| Sniper Hunter |
Objavljen 07.12.2012. 22:25
|

Moderator

Upisa: 4753
Pristupio: 13.12.2009. 10:00
|
[xhide]Pa dobro ako je olovo u pitanju tu ne vidim neki problem 100kg gore dole...... [/xhide]
|
| |
|
|
| Nikola M |
Objavljen 08.12.2012. 14:37
|

Član

Upisa: 106
Pristupio: 23.11.2010. 14:36
|
moreee daki.. namami ce te oni..
Dobar Pogled

|
| |
|
|
| DakiNS |
Objavljen 08.12.2012. 19:53
|

Admin

Upisa: 10248
Pristupio: 31.08.2010. 09:25
|
Nikola M kaže:
moreee daki.. namami ce te oni..
Kada prvi puta budem išao za Ćovdin dolazim kod tebe pa da zajedno punimo
KADA BUDEM LOVIO U VEČNIM LOVIŠTIMA LOVIĆU SA BRETONOM
|
| |
|
|
| Sniper Hunter |
Objavljen 09.12.2012. 14:18
|

Moderator

Upisa: 4753
Pristupio: 13.12.2009. 10:00
|
[xhide]Danas sam isprobavao novi kalup za livenje LEE sluga od 28g cal 12,izlivale se izvaredne kugle
[movie=youtube]t_GNTxXGdCs&feature=g-subs-u[/movie]

[/xhide]
|
| |
|
|
| tomo vrbas |
Objavljen 09.12.2012. 14:51
|

Lovčina

Upisa: 1302
Pristupio: 06.03.2011. 00:00
|
Kolega Sniper svaka cast jos da svaka 5 odstreli d.svinju i tito bi bio sitna riba za tebe sa odstrelima! |
| |
|
|
| Sniper Hunter |
Objavljen 09.12.2012. 15:05
|

Moderator

Upisa: 4753
Pristupio: 13.12.2009. 10:00
|
[xhide]tomo vrbas kaže:
Kolega Sniper svaka cast jos da svaka 5 odstreli d.svinju i tito bi bio sitna riba za tebe sa odstrelima! 
Još lično je nisam isprobao na DS ali bilo je odstrela od jednog kolege kome sam napunio nekoliko komada kugle ,nadam se uskoro isprobavanju u praksi u lovu ,na meti deluje dobro i daje lepe pogodke do 50m .[/xhide]
|
| |
|
|
| kelt |
Objavljen 09.12.2012. 18:32
|

Lovčina

Upisa: 1618
Pristupio: 12.01.2011. 09:05
|
samo rokaj druze i ja jedva cekam ova zima mnogo dosadna
|
| |
|
|
| DakiNS |
Objavljen 09.12.2012. 18:41
|

Admin

Upisa: 10248
Pristupio: 31.08.2010. 09:25
|
Au Sniperu ,moraš da menjaš ime u Mundža majstor , ne nego Mundža velemajstor
KADA BUDEM LOVIO U VEČNIM LOVIŠTIMA LOVIĆU SA BRETONOM
|
| |
|
|
| Indjijanac |
Objavljen 09.12.2012. 20:13
|

Lovčina

Upisa: 2727
Pristupio: 09.03.2011. 18:00
|
nemoj samo da se zezneš pi predstavljanju pa da kažeš ja sam mindža velemajstor umesto mundža velemajstor
|
| |
|
|
| Miroslaw |
Objavljen 10.12.2012. 21:28
|

Stari član

Upisa: 362
Pristupio: 16.11.2009. 23:02
|
kolege jedna molba ako neko ima nacrt rol krimpera za cal16 posto je moj zavrsio tj crko..hvala |
| |
|
|
| Jank |
Objavljen 10.12.2012. 21:33
|

Lovčina

Upisa: 2650
Pristupio: 17.05.2009. 23:12
|
Miroslaw kaže:
kolege jedna molba ako neko ima nacrt rol krimpera za cal16 posto je moj zavrsio tj crko..hvala
Sniper i kelt su doktori za ovu temu...oni će ti rešiti problem sigurno....
Lov je stil mog života...  ] 
|
| |
|
|
| kelt |
Objavljen 10.12.2012. 21:51
|

Lovčina

Upisa: 1618
Pristupio: 12.01.2011. 09:05
|
Miroslaw kaže:
kolege jedna molba ako neko ima nacrt rol krimpera za cal16 posto je moj zavrsio tj crko..hvala
pozdrav kolega. predpostavljam da ti je taj rolkrimper na rucnoj masinici za pertlovanje u krug tako da ti je jedina sansa siarm.it imaju jeftinije mesingne i skuplje a vecite celicne. ovaj moj sta ja pravim ne moze da mota kruzno vec samo da doradjuje zvezdasto zatvaranje
|
| |
|
|
| Miroslaw |
Objavljen 10.12.2012. 23:07
|

Stari član

Upisa: 362
Pristupio: 16.11.2009. 23:02
|
pozdrav kolega. predpostavljam da ti je taj rolkrimper na rucnoj masinici za pertlovanje u krug tako da ti je jedina sansa siarm.it imaju jeftinije mesingne i skuplje a vecite celicne. ovaj moj sta ja pravim ne moze da mota kruzno vec samo da doradjuje zvezdasto zatvaranje na rucnoj masini imam metalni krimper ali je malo dublji te ne mogu da doradjujem zvezdu, krimper koji sam koristio za doradu zvezde je mesigani i posto se pojeo sada nemam dobar konus na patronu i imam malo problema pri ubacivanju patrona u leziste metka..doduse sumnjam i da je ovaj bio za doradu ali je plitak i svakako je pravio odlican konus. |
| |
|
|
| ilija 9 |
Objavljen 16.12.2012. 15:06
|

Član

Upisa: 127
Pristupio: 06.07.2012. 11:00
|
gde ima da se kupi ona furuna |
| |
|
|
| Sniper Hunter |
Objavljen 16.12.2012. 17:34
|

Moderator

Upisa: 4753
Pristupio: 13.12.2009. 10:00
|
[xhide]ilija 9 kaže:
gde ima da se kupi ona furuna
http://www.midwayswiss.ch/epages/Midw...14141CF77F
http://www.grauwolf.net/lee-schmelzof...xport.html
Klikni na linkove gore[/xhide]
|
| |
|
|
| kelt |
Objavljen 17.12.2012. 22:03
|

Lovčina

Upisa: 1618
Pristupio: 12.01.2011. 09:05
|
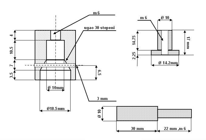
[xhide]Miroslaw kaže:
kolege jedna molba ako neko ima nacrt rol krimpera za cal16 posto je moj zavrsio tj crko..hvala [/xhide][xhide]ovo radi strugar a kad ti napravi javi se na pp da ti kazem sta jos treba da uradis. najpre dobro prostudiraj sve je obelezeno mozda malko necitko jbg izvini nisam inzinjer [/xhide]
|
| |
|
|
| Miroslaw |
Objavljen 17.12.2012. 23:22
|

Stari član

Upisa: 362
Pristupio: 16.11.2009. 23:02
|
[/quote][/xhide][xhide]ovo radi strugar a kad ti napravi javi se na pp da ti kazem sta jos treba da uradis. najpre dobro prostudiraj sve je obelezeno mozda malko necitko jbg izvini nisam inzinjer [/xhide][/quote] ja napravio ovakav nacrt samo ne znam kako bi radio
|
| |
|
|
| BUCKO |
Objavljen 18.12.2012. 13:13
|

Član

Upisa: 114
Pristupio: 20.05.2011. 20:41
|
U slucaju loseg sagorevanja baruta gde i sta treba uraditi na punjenju a da pritom ne odemo u visoke pritiske ili ti padnemo na niske brzine ??????????????? |
| |
|
|
| kempi |
Objavljen 18.12.2012. 15:28
|

Stari član

Upisa: 261
Pristupio: 31.12.2010. 13:27
|
Promeni barut! |
| |
|
|
| Sniper Hunter |
Objavljen 18.12.2012. 20:33
|

Moderator

Upisa: 4753
Pristupio: 13.12.2009. 10:00
|
[xhide]Ako je zlatiborac tu ti leka nema ,ako ne radi dobro a gramaža olova je ok menjaj seriju ,možda u drugom kalibru radi bolje ,ako ne radi u 12 možda u 16 ili 20 radi.[/xhide]
|
| |
|